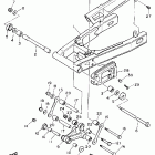
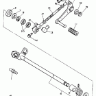
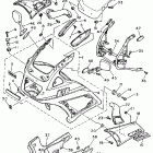
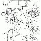
FJR 1200 (1993)

Оригинальные запчасти для мотоциклов Yamaha (Америка)

Выбор узла

FJR 1200 (1993)