XJ 600S (1992)

Оригинальные запчасти для мотоциклов Yamaha (Америка)

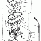
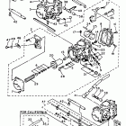
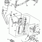
Выбор узла

XJ 600S (1992)

Yamaha XJ 600 S 1992

Неоригинальные запчасти Parts Unlimited