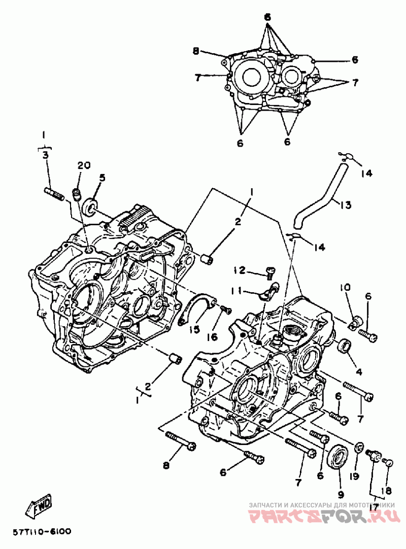
Картер

Yamaha (Америка) XT 350

Yamaha (Америка)
#oem кодцена
1
55V-15100-03-00
Картер двигателя в сборе
2
99510-12016-00
Штифт
3
55V-15668-00-00
Стопор
4
90387-17783-00
Манжета
5
90387-172J0-00
Манжета
6
7
8
9
93102-25305-00
Сальник
10
90465-08277-00
Зажим
11
51Y-15441-00-00
Деталь Holder, Clch Cable
12
13
30X-11166-00-00
Патрубок 1
14
90467-14015-00
Хомут
15
30X-15383-00-00
Пластина
16
17
90340-14132-00
Пробка
18
19
214-11198-01-00
Прокладка
20
99530-14016-00
Палец установочный