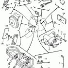
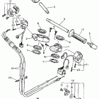
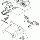
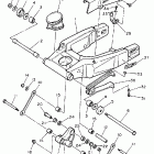
FZR 1000 (1991)

Оригинальные запчасти для мотоциклов Yamaha (Америка)

Выбор узла

FZR 1000 (1991)

Yamaha FZR 1000 1991

Неоригинальные запчасти Parts Unlimited