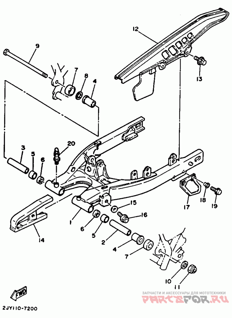
Бугель

Yamaha (Америка) TRAILWAY -TW 200

Yamaha (Америка)
#oem кодцена
1
2JX-22110-10-35
Деталь Rear Arm Comp. Silver
2
2JX-22123-00-00
Изоляционная трубка
3
2JX-22124-00-00
Изоляционная трубка
4
90386-18146-00
Втулка нейлоновая
5
90380-18139-00
Изолирующая втулка
6
93109-18020-00
Сальник Sdo-типа
7
401-22128-01-00
Крышка
8
401-22127-00-00
Деталь Shim Un
9
10
90201-126A7-00
Шайба (отпускается по 5 шт)
11
90185-12134-00
Гайка
12
34X-22311-00-00
Кожух цепи
13
90119-05062-00
Болт с шайбой
14
34X-22151-01-00
Уплотнение
15
90209-06187-00
Шайба
17
38V-22199-00-00
Опорная стойка
18
90387-06737-00
Манжета
19
20
93700-06009-00
Ниппель