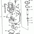
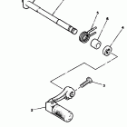
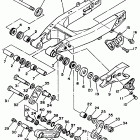
Yamaha YZ 125 1989

Неоригинальные запчасти Parts Unlimited