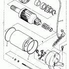
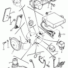
FZR 400S (1989)

Оригинальные запчасти для мотоциклов Yamaha (Америка)

Выбор узла

FZR 400S (1989)