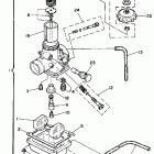
Yamaha YZ 80 1988

Неоригинальные запчасти Parts Unlimited