FZR 750R (1988)

Оригинальные запчасти для мотоциклов Yamaha (Америка)

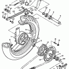
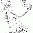
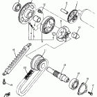
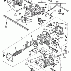
Выбор узла

FZR 750R (1988)

Yamaha FZR 750 R 1988

Неоригинальные запчасти Parts Unlimited