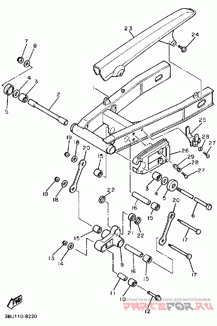
Бугель

Yamaha (Америка) FZR 750

Yamaha (Америка)
#oem кодцена
1
2KT-22110-00-00
Задний рычаг
2
36Y-22184-00-00
Втулка
3
93317-42550-00
Подшипник
4
36Y-22127-00-00
Регулировочная прокладка
5
36Y-22128-00-00
Крышка
6
7
90185-14070-00
Гайка
8
90201-142M6-00
Шайба (отпускается по 5 шт)
9
2KT-2217A-00-00
Рычаг
10
93317-42060-00
Подшипник
11
90387-100T8-00
Манжета
12
90105-10737-00
Контр. болт
13
95614-10100-00
Гайка
14
90201-105R9-00
Шайба (отпускается по 5 шт)
15
93317-41761-00
Подшипник
16
90387-126T1-00
Манжета
17
90101-12673-00
Деталь Bolt (2gh)
18
90201-126A7-00
Шайба (отпускается по 5 шт)
19
95617-12100-00
Гайка
20
2KT-2217M-00-00
Рычаг
21
93399-99919-00
Подшипник
22
93101-16131-00
Сальник S-типа
23
29L-22311-00-00
Кожух цепи
24
25
2KT-22321-00-00
Деталь Stay, Chain Case 1
26
2KT-22151-00-00
Уплотнение
27
28
92995-06100-00
Шайба
29
90387-06681-00
Манжета