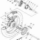
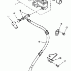
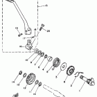
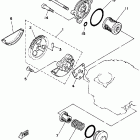
Yamaha TT 225 1987

Неоригинальные запчасти Parts Unlimited