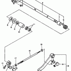
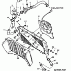
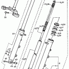
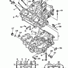
FZR 750R (1987)

Оригинальные запчасти для мотоциклов Yamaha (Америка)

Выбор узла

FZR 750R (1987)

Yamaha FZR 750 R 1987

Неоригинальные запчасти Parts Unlimited