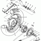
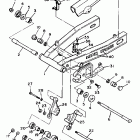
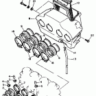
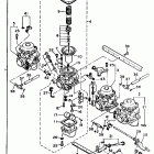
FZR 600 (1987)

Оригинальные запчасти для мотоциклов Yamaha (Америка)

Выбор узла

FZR 600 (1987)