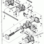
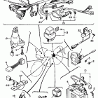
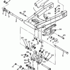
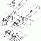
FZ 750 (1985)

Оригинальные запчасти для мотоциклов Yamaha (Америка)

Выбор узла

FZ 750 (1985)

Yamaha FZ 750 1985

Неоригинальные запчасти Parts Unlimited