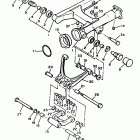
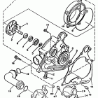
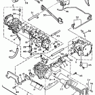
XV 1200D (1984)

Оригинальные запчасти для мотоциклов Yamaha (Америка)

Выбор узла

XV 1200D (1984)