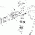
V04TB16CA TOURING CRUISER ALL OPTIONS (2004)

Оригинальные запчасти для мотоциклов Victory

Выбор узла

V04TB16CA TOURING CRUISER ALL OPTIONS (2004)