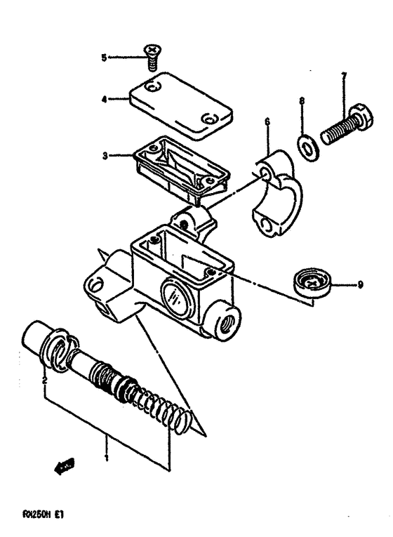
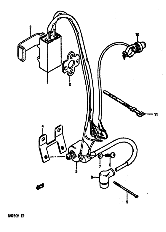
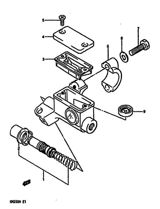
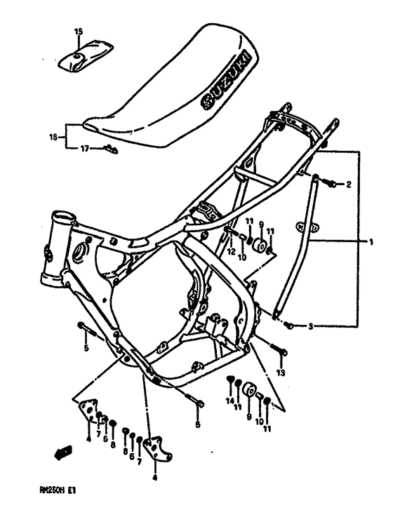
Запчасти для мотоциклов Suzuki RM250

Год: 1987  •  Код модели: RM250H(G/H) H  •  Объем двигателя: 250

Запчасти для мотоциклов Suzuki RM250
Вид: