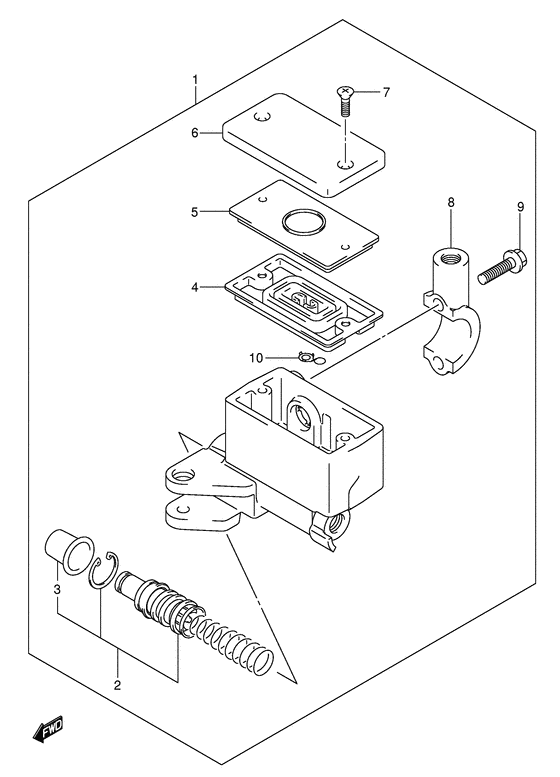
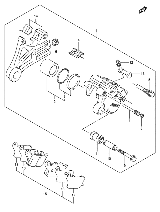
Запчасти для мотоциклов Suzuki DL1000 V-Strom

Год: 2004  •  Код модели: DL1000K4(E2) K4  •  Объем двигателя: 1000

Запчасти для мотоциклов Suzuki DL1000 V-Strom
Вид: