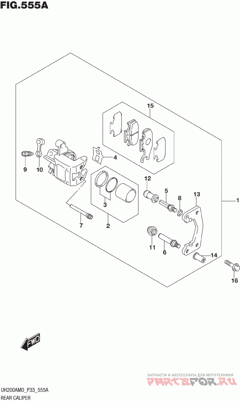
Задний суппорт

Suzuki (Америка) UH200A

Suzuki (Америка)
#oem кодцена