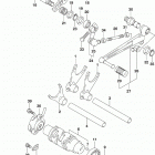
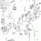
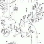
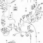
DL1000A,XA (2019)

Оригинальные запчасти для мотоциклов Suzuki (Америка)

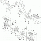
Выбор узла

DL1000A,XA (2019)