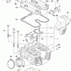
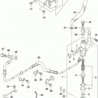
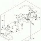
VZR1800 (2018)

Оригинальные запчасти для мотоциклов Suzuki (Америка)

Выбор узла

VZR1800 (2018)