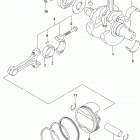
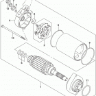
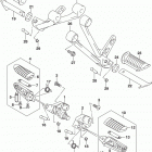
DL1000A XA (2018)

Оригинальные запчасти для мотоциклов Suzuki (Америка)

Выбор узла

DL1000A XA (2018)