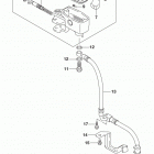
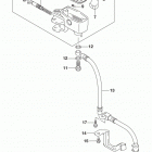
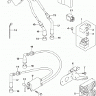
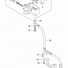
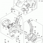
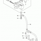
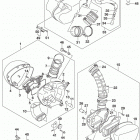
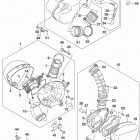
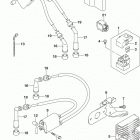
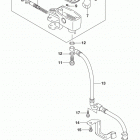
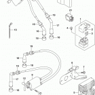
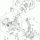
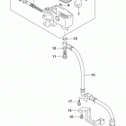
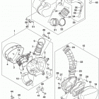
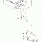
VL1500 (2017)

Оригинальные запчасти для мотоциклов Suzuki (Америка)

Выбор узла

VL1500 (2017)