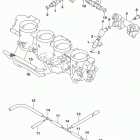
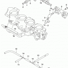
GSX1300R A (2016)

Оригинальные запчасти для мотоциклов Suzuki (Америка)

Выбор узла

GSX1300R A (2016)