GSX R750 (2015)

Оригинальные запчасти для мотоциклов Suzuki (Америка)

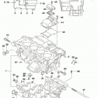
Выбор узла

GSX R750 (2015)

Suzuki GSX-R 750 2015

Неоригинальные запчасти Parts Unlimited