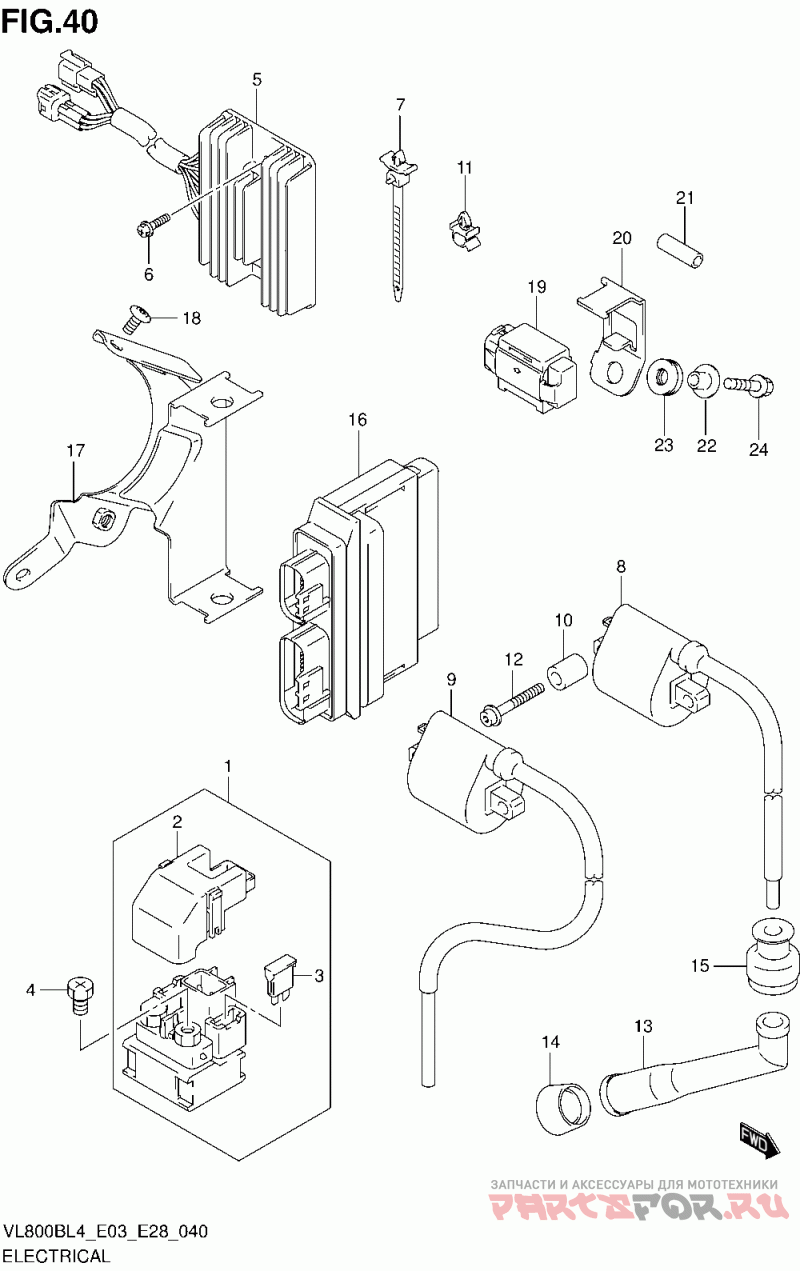
Electrical (vl800bl4 e03)

Suzuki (Америка) VL800,B

Suzuki (Америка)
#oem кодцена
1
31800-21E20
Деталь Relay Assy, Star
2
31861-47E00
Крышка
3
09481-30101
Деталь Fuse, 30a
4
09128-06013
Винт
5
32800-47H00
Регулятор напряжения
6
02162-0620B
Винт
7
09407-11402
Зажим
8
33410-17G00
Деталь Coil Assy, Ignit
9
33420-41F10
Деталь Coil Assy, Ignit
10
09180-06195
Деталь Spacer 6.4x10x1
11
09403-07308
Деталь Clamp Rr Comb L
12
09106-05033
Деталь Bolt, 5x35
13
33510-11410
Деталь Cap Spark Plug
14
33541-47D00
Деталь Seal, Spark Plug
15
33542-38B00
Деталь Seal Hi Tension
16
32920-39GH0
Деталь Controlunit, Fi
17
44880-43H00
Деталь Bracket, Fi Cont
18
09139-06108
Винт
19
33960-06G10
Деталь Sensor Assy, Fue
20
33961-41F00
Поршень комплект (увел1,0)
21
44420-44AR0
Деталь Hose, 5x8.2x600 (l:600->10)
22
09180-06325
Деталь Spacer, Exh Pipe
23
09320-06017
Подушка
24
01547-0616A
Болт