DL650A (2014)

Оригинальные запчасти для мотоциклов Suzuki (Америка)

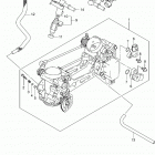
Выбор узла

DL650A (2014)