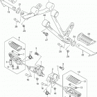
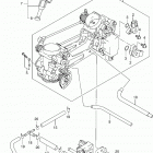
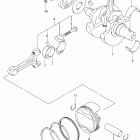
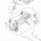
DL1000A (2014)

Оригинальные запчасти для мотоциклов Suzuki (Америка)

Выбор узла

DL1000A (2014)