DR-Z125,L (2013)

Оригинальные запчасти для мотоциклов Suzuki (Америка)

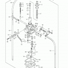
Выбор узла

DR-Z125,L (2013)

Suzuki DR-Z 125 L 2013

Неоригинальные запчасти Parts Unlimited