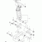
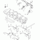
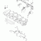
GSX-R750 (2012)

Оригинальные запчасти для мотоциклов Suzuki (Америка)

Выбор узла

GSX-R750 (2012)

Suzuki GSX-R 750 2012

Неоригинальные запчасти Parts Unlimited