GSX-R600 (2012)

Оригинальные запчасти для мотоциклов Suzuki (Америка)

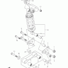
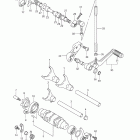
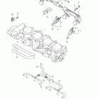
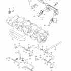
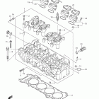
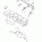
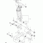
Выбор узла

GSX-R600 (2012)

Suzuki GSX-R 600 2012

Неоригинальные запчасти Parts Unlimited