GSX650F (2009)

Оригинальные запчасти для мотоциклов Suzuki (Америка)

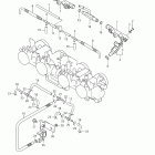
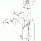
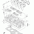
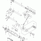
Выбор узла

GSX650F (2009)

Suzuki GSX 650 F 2009

Неоригинальные запчасти Parts Unlimited