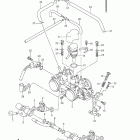
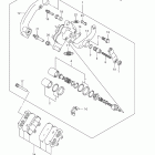
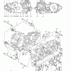
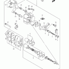
AN650,A (2009)

Оригинальные запчасти для мотоциклов Suzuki (Америка)

Выбор узла

AN650,A (2009)