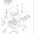
RM Z450 (2007)

Оригинальные запчасти для мотоциклов Suzuki (Америка)

Выбор узла

RM Z450 (2007)

Suzuki RM-Z 450 2007

Неоригинальные запчасти Parts Unlimited