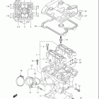
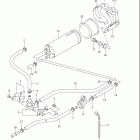
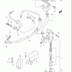
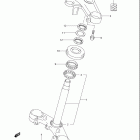
SV650,S,A (2003)

Оригинальные запчасти для мотоциклов Suzuki (Америка)

Выбор узла

SV650,S,A (2003)