DR-Z250 (2003)

Оригинальные запчасти для мотоциклов Suzuki (Америка)

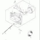
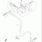
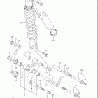
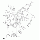
Выбор узла

DR-Z250 (2003)

Suzuki DR-Z 250 2003

Неоригинальные запчасти Parts Unlimited