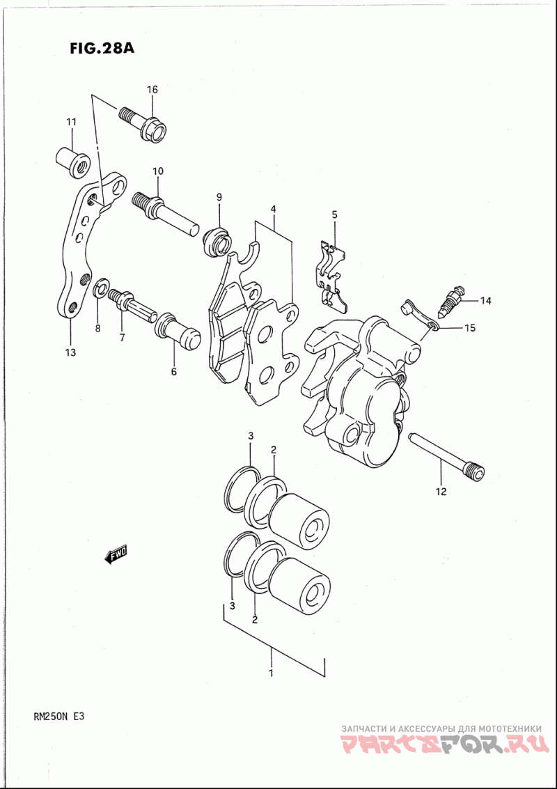
Front caliper (model m/n)

Suzuki (Америка) RM250

Suzuki (Америка)
#oem кодцена
59300-27C11-999
Деталь Caliper Assy, Fr
1
59300-27840
Поршни комплект
2
69100-36810
Сальники поршня, комплект
3
59108-00B20
Поршень комплект (увел1,0)
4
59300-27850
Деталь .pad Set
5
59315-27C30
Пружина
6
59386-13A00
Деталь .boot
7
59382-13A00
Болт
8
59314-13A00
Шайба
9
59303-14500
Деталь .boot
10
59387-00B20
Палец
11
59388-00B20
Гайка
12
59345-00B20
Палец
13
59351-00B20
Деталь .bracket, Rh
14
59121-01A00
Штуцер перепускной
15
59122-01A00
Деталь .cap, Bleeder
16
09103-08157
Болт