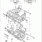
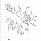
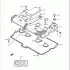
GSX-R750 (1990)

Оригинальные запчасти для мотоциклов Suzuki (Америка)

Выбор узла

GSX-R750 (1990)

Suzuki GSX-R 750 1990

Неоригинальные запчасти Parts Unlimited