GS700E, ES, 1985 (1985)

Оригинальные запчасти для мотоциклов Suzuki (Америка)

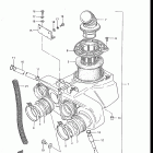
Выбор узла

GS700E, ES, 1985 (1985)

Suzuki GS 700 E 1985

Неоригинальные запчасти Parts Unlimited