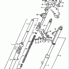
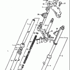
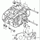
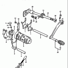
Suzuki DS 100 1981

Неоригинальные запчасти Parts Unlimited