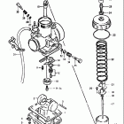
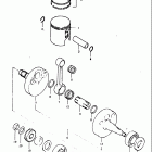
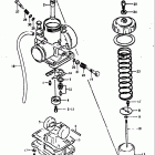
Suzuki PE 175 1979

Неоригинальные запчасти Parts Unlimited