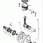
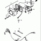
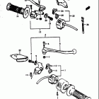
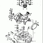
Suzuki DR 370 1979

Неоригинальные запчасти Parts Unlimited