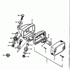
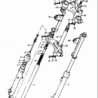
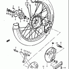
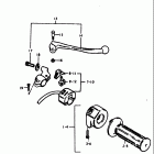
Suzuki DS 185 1978

Неоригинальные запчасти Parts Unlimited