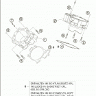
950 ADVENTURE (2005)

Оригинальные запчасти для мотоциклов KTM

Выбор узла

950 ADVENTURE (2005)