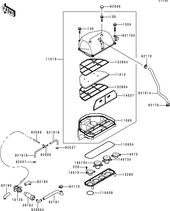
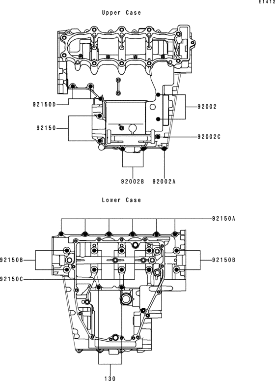
Запчасти для мотоциклов Kawasaki ZX600 Ninja ZX-6R

Год: 1998  •  Код модели: ZX600-H1  •  Объем двигателя: 600

Запчасти для мотоциклов Kawasaki ZX600 Ninja ZX-6R
Вид: