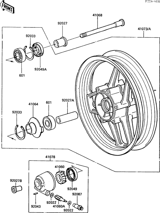
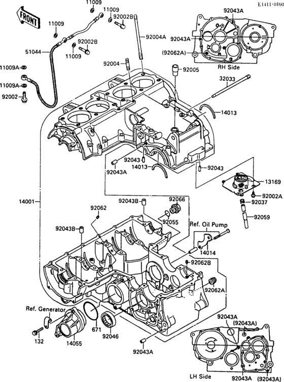
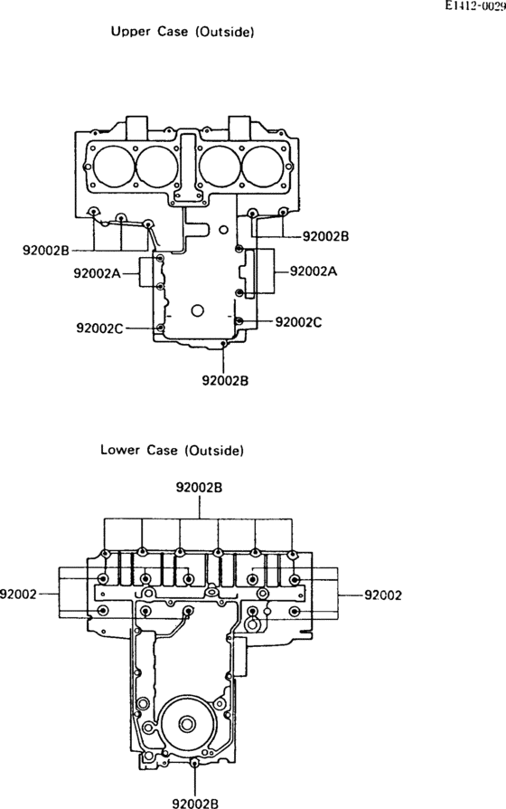
Запчасти для мотоциклов Kawasaki ZX600 GPZ600R

Год: 1989  •  Код модели: ZX600-A5A  •  Объем двигателя: 600

Запчасти для мотоциклов Kawasaki ZX600 GPZ600R
Вид: