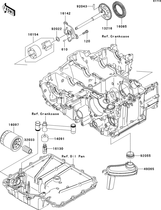
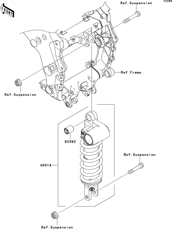
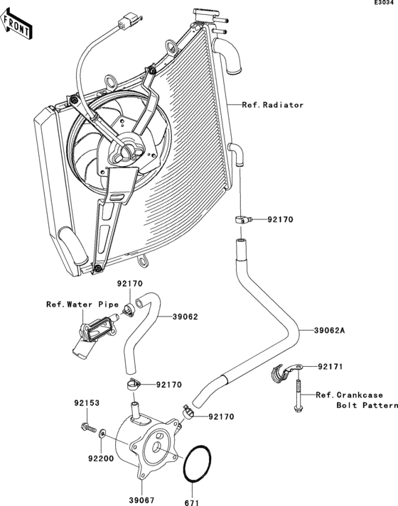
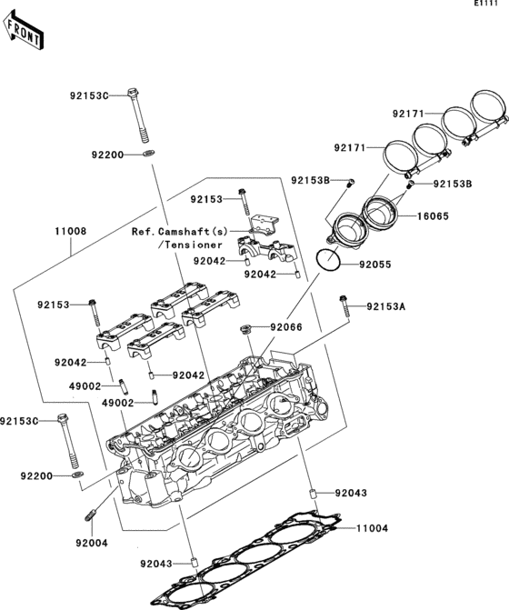
Запчасти для мотоциклов Kawasaki ZX1400 ZZR1400 ABS

Год: 2006  •  Код модели: ZX1400B6F  •  Объем двигателя: 1400

Запчасти для мотоциклов Kawasaki ZX1400 ZZR1400 ABS
Вид: