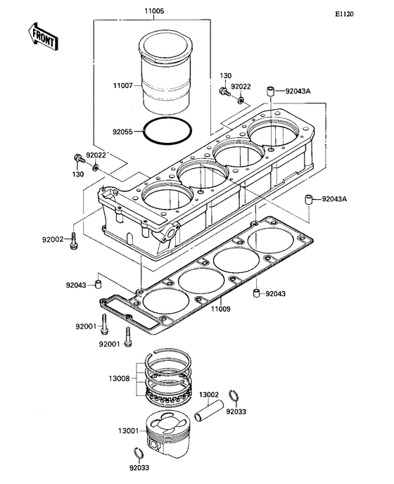
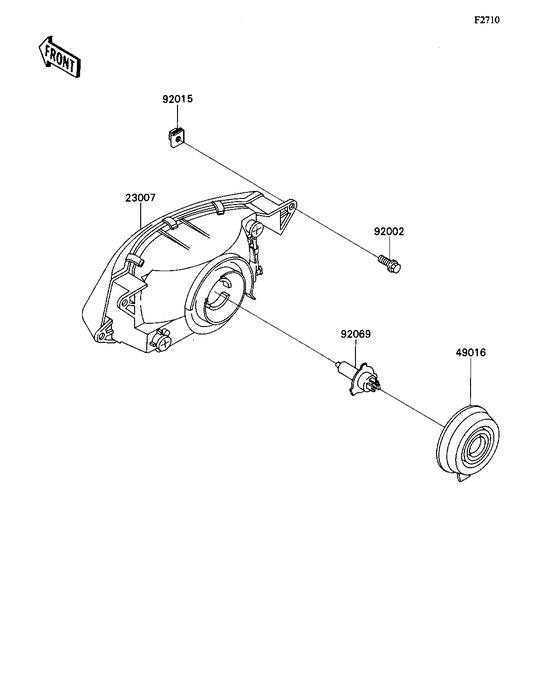
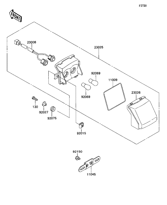
Запчасти для мотоциклов Kawasaki ZX1100 ZZ-R1100

Год: 1993  •  Код модели: ZX1100-C4  •  Объем двигателя: 1100

Запчасти для мотоциклов Kawasaki ZX1100 ZZ-R1100
Вид: