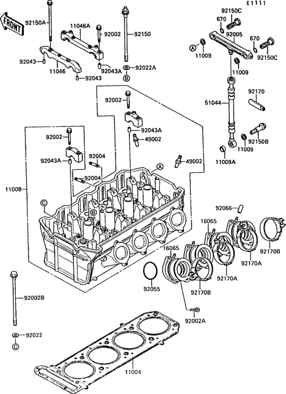
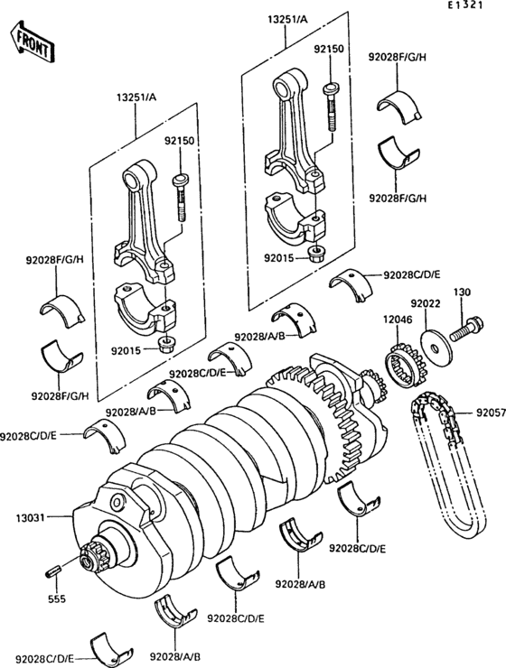
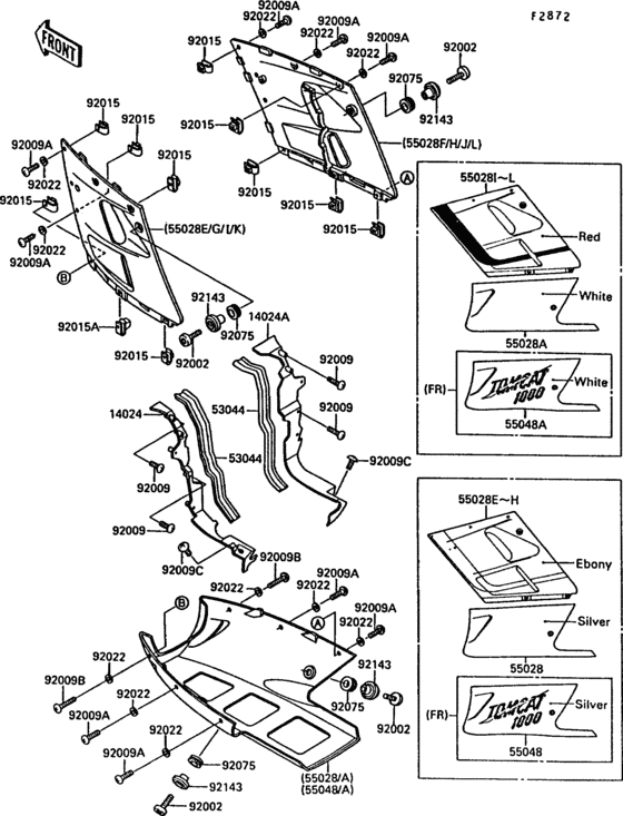
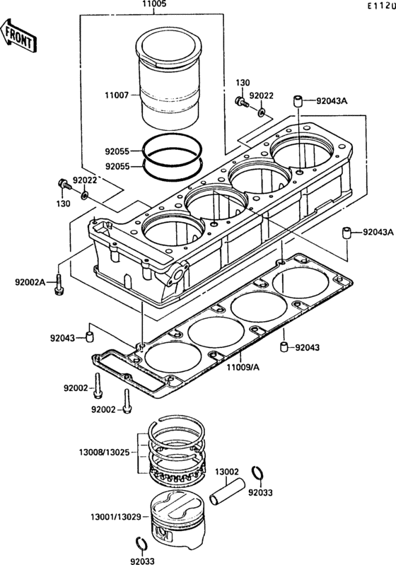
Запчасти для мотоциклов Kawasaki ZX1000 ZX-10

Год: 1988  •  Код модели: ZX1000-B1  •  Объем двигателя: 1000

Запчасти для мотоциклов Kawasaki ZX1000 ZX-10
Вид: