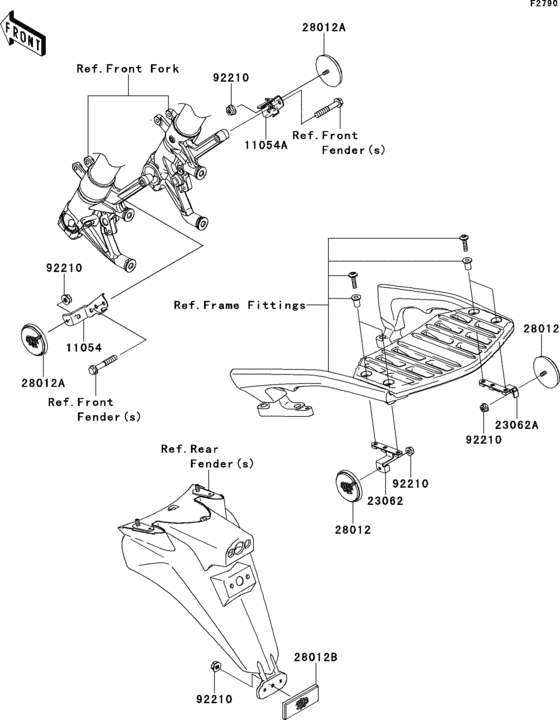
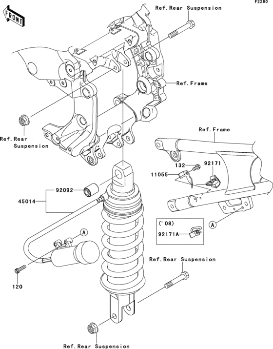
Запчасти для мотоциклов Kawasaki ZG1400 Concours 14

Год: 2008  •  Код модели: ZG1400B8F  •  Объем двигателя: 1400

Запчасти для мотоциклов Kawasaki ZG1400 Concours 14
Вид: